Kotwa przykręcana 12x12 to fundament stabilności dla wielu przydomowych konstrukcji, takich jak wiaty, pergole czy altany. Jest to stalowy element złączny, który umożliwia bezpieczne i trwałe mocowanie drewnianych słupów do twardego podłoża, chroniąc je jednocześnie przed szkodliwym działaniem wilgoci. W tym artykule, jako Marek Jasiński, przeprowadzę Cię przez świat tych niezbędnych elementów, pomagając dokonać właściwego wyboru i prawidłowo zamontować produkt, aby Twoja konstrukcja służyła Ci stabilnie przez długie lata.
Kotwa przykręcana 12x12 to klucz do stabilnych konstrukcji wybierz ją świadomie i zamontuj poprawnie.
- Kotwa przykręcana 12x12 służy do mocowania drewnianych słupów do twardego podłoża, zapewniając stabilność i ochronę drewna przed gniciem.
- Wykonana jest najczęściej ze stali S235 o grubości 2-4 mm, z kluczowym ocynkiem ogniowym dla trwałości.
- Idealna do istniejących powierzchni betonowych, wylewek czy kostki brukowej, w przeciwieństwie do kotew wbijanych (grunt) czy do zabetonowania (nowe fundamenty).
- Prawidłowy montaż wymaga równego podłoża, odpowiednich kołków (mechaniczne, chemiczne) oraz zapewnienia dylatacji.
- Przy zakupie zwróć uwagę na grubość blachy i rodzaj ocynku; ceny wahają się od 20 do 60 zł za sztukę.
Stabilność konstrukcji na lata: rola kotwy w budowie wiaty, pergoli i altany
Kiedy planujemy budowę wiaty garażowej, altany, pergoli, zadaszenia tarasu czy nawet solidnego płotu, często skupiamy się na wyborze drewna czy estetyce. Zapominamy jednak, że sercem każdej trwałej konstrukcji jest jej mocowanie do podłoża. Stabilne zamocowanie słupów o przekroju 12x12 cm jest absolutnie kluczowe dla bezpieczeństwa i długowieczności całej budowli. Kotwa przykręcana pełni tu rolę swoistego fundamentu, który przenosi obciążenia (wiatr, śnieg, ciężar własny konstrukcji) z drewna na podłoże, zapewniając, że Twoja wiata nie odleci przy pierwszym silniejszym podmuchu wiatru, a pergola nie zacznie się chwiać po kilku latach użytkowania.
Ochrona drewna przed gniciem: jak proste mocowanie wydłuża żywotność konstrukcji?
Poza stabilnością, kotwa przykręcana ma jeszcze jedną, niezwykle ważną funkcję: chroni drewno przed gniciem. Drewno, nawet zaimpregnowane, w bezpośrednim kontakcie z wilgotnym gruntem czy nawet betonem, jest narażone na kapilarne podciąganie wody i rozwój grzybów. Kotwa przykręcana podnosi słup drewniany ponad poziom podłoża, tworząc barierę, która skutecznie izoluje go od wilgoci. To proste rozwiązanie znacząco wydłuża żywotność całej konstrukcji, oszczędzając Ci kosztów i pracy związanych z wymianą spróchniałych elementów w przyszłości. Z mojego doświadczenia wiem, że to jeden z najczęściej niedocenianych, a zarazem najbardziej opłacalnych aspektów prawidłowego montażu.

Kotwa przykręcana 12x12: czym jest i kiedy jest niezastąpiona?
Anatomia idealnej kotwy: grubość stali, rodzaj ocynku i wymiary, na które musisz zwrócić uwagę
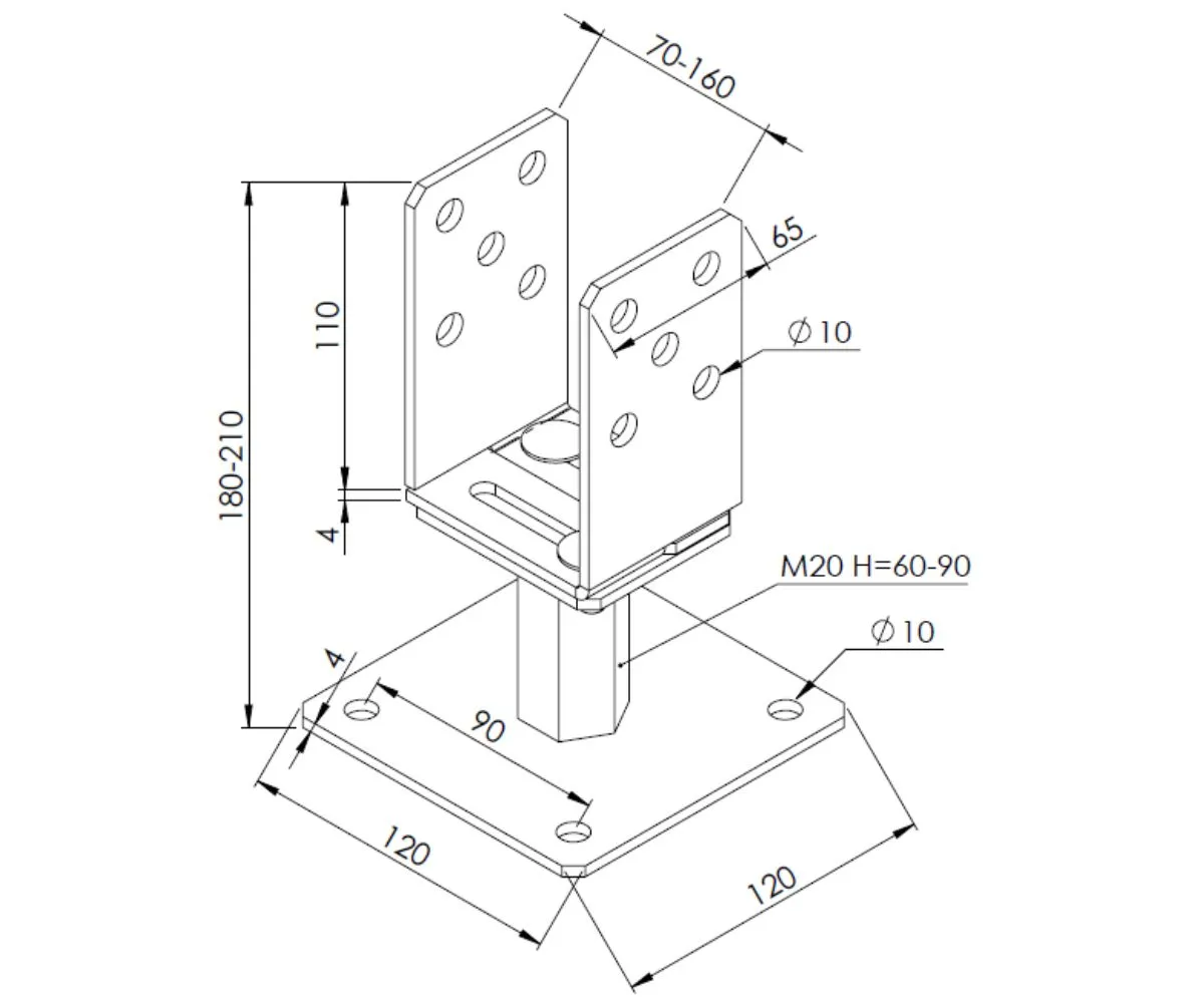
Kotwa przykręcana 12x12 to nic innego jak stalowy element złączny, często nazywany podstawą słupa, zaprojektowany do mocowania drewnianych słupów o przekroju 12x12 cm (lub 120x120 mm). Najczęściej wykonana jest ze stali S235, która zapewnia odpowiednią wytrzymałość. Kluczowym parametrem jest grubość blachy, która zazwyczaj waha się od 2 mm do 4 mm. Zdecydowanie rekomenduję wybór kotew z blachy o grubości minimum 3 mm, a najlepiej 4 mm, ponieważ gwarantują one znacznie większą stabilność i odporność na odkształcenia.
Równie ważna jest ochrona antykorozyjna. Standardem na polskim rynku jest ocynk ogniowy, który tworzy grubą (powyżej 60 mikronów), trwałą powłokę, doskonale chroniącą stal przed warunkami atmosferycznymi. Spotkasz się też z tańszym ocynkiem galwanicznym, ale oferuje on znacznie cieńszą i mniej trwałą warstwę ochronną. Niektóre modele są dodatkowo malowane proszkowo (np. na czarno), co poprawia estetykę i stanowi dodatkową warstwę zabezpieczającą.Wymiary, na które należy zwrócić uwagę, to:
- Wewnętrzny wymiar kielicha: 120x120 mm (lub 121x121 mm, aby zapewnić niewielki luz dla słupa).
- Wymiary podstawy montażowej: Zazwyczaj większe, np. 170x170 mm lub 180x180 mm, co zapewnia stabilne oparcie i miejsce na otwory montażowe.
- Wysokość kielicha: Około 150 mm, co pozwala na solidne osadzenie słupa.
- Średnice otworów montażowych: W podstawie najczęściej Ø10 mm lub Ø11 mm, w ściankach bocznych do mocowania słupa również około Ø10 mm.
Zastosowania w praktyce: kiedy montaż do betonu lub kostki jest jedynym słusznym wyborem?
Kotwa przykręcana 12x12 jest niezastąpiona wszędzie tam, gdzie mamy do czynienia z istniejącym, utwardzonym podłożem. To jej główna przewaga nad innymi typami kotew. Jest idealnym rozwiązaniem do mocowania konstrukcji na:
- Istniejących płytach betonowych i wylewkach.
- Kostce brukowej (z odpowiednim przygotowaniem podłoża).
- Asfalcie.
- Innych stabilnych, twardych powierzchniach.
W praktyce oznacza to, że kotwa przykręcana jest Twoim najlepszym wyborem, gdy budujesz:
- Wiaty garażowe (carporty) na istniejącym podjeździe.
- Altany i pergole na już wyłożonym tarasie lub patio.
- Zadaszenia tarasów.
- Ciężkie płoty, które wymagają solidnego mocowania do murka lub betonowej podmurówki.
- Konstrukcje placów zabaw na utwardzonym terenie.

Kotwa przykręcana czy wbijana i do betonowania: którą wybrać?
Wybór odpowiedniego typu kotwy to decyzja, która ma fundamentalne znaczenie dla stabilności i trwałości całej konstrukcji. Zanim przystąpisz do pracy, musisz zrozumieć różnice między dostępnymi rozwiązaniami. Poniżej przedstawiam porównanie trzech najpopularniejszych typów kotew:
| Typ kotwy | Charakterystyka i zastosowanie | Kiedy wybrać? |
|---|---|---|
| Kotwa przykręcana | Stalowy kielich z płaską podstawą do mocowania na istniejących, twardych powierzchniach. Zapewnia izolację drewna od podłoża. | Gdy masz już istniejące, twarde podłoże (beton, wylewka, kostka brukowa) i chcesz szybko i stabilnie zamocować słupy. Idealna do wiat, pergoli, altan na gotowych tarasach. |
| Kotwa wbijana | Metalowy szpic lub rura, wbijana bezpośrednio w miękki grunt (ziemia, trawnik). Szybki montaż, ale mniejsza stabilność. | Do lekkich konstrukcji w miękkim gruncie, gdzie nie jest wymagana najwyższa stabilność, np. lekkie płoty ogrodzeniowe, tymczasowe konstrukcje, podpory dla roślin. Nie nadaje się do ciężkich wiat. |
| Kotwa do zabetonowania (typu U lub H) | Element stalowy (w kształcie litery U lub H) przeznaczony do zalania w świeżej wylewce betonowej. Zapewnia najwyższą stabilność i nośność. | Gdy budujesz nowe, ciężkie konstrukcje (np. duża wiata, altana) i masz możliwość wykonania prac ziemnych oraz betonowania fundamentów. Jest to najbardziej stabilne, ale i najbardziej pracochłonne rozwiązanie. |
Montaż kotwy przykręcanej 12x12 krok po kroku: kompletny poradnik dla majsterkowicza
Przygotuj swój warsztat: lista niezbędnych narzędzi i materiałów
Zanim zaczniesz, upewnij się, że masz pod ręką wszystkie niezbędne narzędzia i materiały. Dobrze przygotowany warsztat to podstawa sukcesu i bezpieczeństwa pracy. Oto lista, którą zawsze mam ze sobą:
- Wiertarka udarowa (konieczna do betonu).
- Wiertła do betonu o odpowiedniej średnicy i długości (zgodnej z kołkami montażowymi).
- Klucz dynamometryczny (lub odpowiedni klucz płaski/nasadowy do dokręcania kołków).
- Kołki montażowe do betonu (mechaniczne lub chemiczne).
- Poziomica (długa i krótka).
- Miarka zwijana i ołówek/marker.
- Odkurzacz lub sprężone powietrze (do oczyszczania otworów).
- Młotek.
- Wkrętarka i wkręty do drewna (do mocowania słupa w kielichu).
- Ewentualnie: podkładki dystansowe, cienka zaprawa wyrównująca.
Od wymierzenia do dokręcenia ostatniej śruby: precyzyjna instrukcja montażu w 5 krokach
Prawidłowy montaż kotwy przykręcanej wymaga precyzji i uwagi na detale. Oto instrukcja krok po kroku, którą zawsze stosuję:
-
Przygotowanie podłoża: Upewnij się, że podłoże, do którego będziesz mocować kotwę, jest równe, stabilne i czyste. Jeśli montujesz na kostce brukowej, a konstrukcja ma być bardzo obciążona, rozważ przygotowanie punktowego fundamentu betonowego pod kostką w miejscu mocowania kotwy. W przypadku drobnych nierówności, można je skorygować cienką warstwą zaprawy wyrównującej lub specjalnymi podkładkami dystansowymi, ale zawsze dąż do jak najbardziej płaskiej powierzchni.
-
Wymierzenie i precyzyjne oznaczenie: Dokładnie wymierz miejsca, w których mają stanąć słupy. Przyłóż kotwę do podłoża i za pomocą ołówka lub markera precyzyjnie zaznacz punkty wiercenia przez otwory w podstawie kotwy. Użyj poziomicy, aby upewnić się, że kotwy będą w jednej linii i na odpowiednich odległościach.
-
Wiercenie i oczyszczanie otworów: Za pomocą wiertarki udarowej i wiertła do betonu wywierć otwory o odpowiedniej średnicy i głębokości, zgodnie z instrukcją producenta kołków montażowych. Po wywierceniu każdego otworu, dokładnie oczyść go z pyłu najlepiej sprężonym powietrzem lub odkurzaczem. To kluczowy krok, który zapewnia maksymalną nośność kołka.
-
Osadzenie kołków i przykręcenie kotwy: Wprowadź kołki montażowe do wywierconych otworów. Następnie nałóż kotwę na kołki i dokręć ją do podłoża z odpowiednim momentem siły, zalecanym przez producenta kołków. Użycie klucza dynamometrycznego jest tu bardzo pomocne, aby nie przekręcić ani nie niedokręcić mocowania. Sprawdź poziomicą, czy kotwa jest idealnie wypoziomowana.
-
Mocowanie słupa: Po zamocowaniu kotwy, wsuń drewniany słup do kielicha. Upewnij się, że słup jest prostopadły do podłoża (sprawdź poziomicą). Następnie, za pomocą wkrętów lub śrub do drewna (zgodnych z otworami w ściankach kielicha), solidnie przymocuj słup do kotwy. Zazwyczaj stosuje się 2-3 wkręty na każdą ściankę kielicha.
Jakie kołki montażowe do betonu wybrać? Przegląd kotew mechanicznych i chemicznych
Wybór odpowiednich kołków montażowych to podstawa trwałego i bezpiecznego mocowania kotwy do betonu. Na rynku dostępne są dwa główne typy:
- Kotwy mechaniczne: To najczęściej stosowane rozwiązanie. Wśród nich wyróżniamy kołki tulejowe, opaskowe (rozporowe) oraz wkręty do betonu. Kołki te działają na zasadzie rozparcia w otworze, tworząc solidne połączenie. Do mocowania kotew 12x12 zazwyczaj stosuje się kołki o średnicy M10 i odpowiedniej długości, gwarantującej głębokie zakotwienie. Są stosunkowo proste w montażu i dobrze sprawdzają się w większości zastosowań.
- Kotwy chemiczne: To rozwiązanie o bardzo wysokiej nośności, idealne do najbardziej wymagających konstrukcji. Polegają na wprowadzeniu do otworu specjalnej żywicy, która po związaniu tworzy niezwykle trwałe połączenie z prętem gwintowanym. Kotwy chemiczne są bardziej skomplikowane w montażu, ale oferują niezrównaną wytrzymałość, zwłaszcza w przypadku obciążeń dynamicznych i wibracji. Są doskonałym wyborem, gdy oczekujesz maksymalnej pewności mocowania.
Zawsze upewnij się, że wybrane kołki są przeznaczone do betonu i posiadają odpowiednie certyfikaty. Nie oszczędzaj na elementach złącznych to one gwarantują bezpieczeństwo Twojej konstrukcji.
Najczęstsze błędy przy montażu kotew i jak ich unikać
Problem z nierównym podłożem? Sprawdzone sposoby na idealne wypoziomowanie
Nierówne podłoże to jeden z najczęstszych problemów, z którymi spotykam się podczas montażu kotew. Nawet niewielka różnica w poziomie może prowadzić do niestabilności całej konstrukcji, jej chwiania się, a w konsekwencji do pękania połączeń czy uszkodzeń drewna. Aby temu zapobiec, zawsze dążę do idealnego wypoziomowania. Jeśli podłoże jest lekko nierówne, możesz użyć specjalnych podkładek dystansowych (np. z tworzywa sztucznego lub stali nierdzewnej) pod podstawę kotwy. W przypadku większych nierówności na betonie, dobrym rozwiązaniem jest zastosowanie cienkiej warstwy szybkowiążącej zaprawy wyrównującej w miejscu mocowania kotwy. Pamiętaj, że w przypadku montażu na kostce brukowej, idealnym, choć bardziej pracochłonnym, rozwiązaniem jest wykonanie punktowego fundamentu betonowego pod każdą kotwą, co zapewni stabilne i równe podparcie.
Brak dylatacji pod słupem: dlaczego to prosta droga do problemów z wilgocią?
Wielu majsterkowiczów zapomina o kluczowym elemencie, jakim jest dylatacja, czyli niewielka przestrzeń pod słupem. Kotwa przykręcana ma za zadanie unieść drewno ponad poziom podłoża, ale równie ważne jest, aby nie przylegało ono bezpośrednio do metalowej podstawy kotwy. Brak tej przestrzeni sprawia, że woda deszczowa może gromadzić się między drewnem a stalą, a wilgoć nie ma możliwości odparowania. To prosta droga do gnicia drewna od spodu, nawet jeśli jest ono zaimpregnowane. Odpowiednia konstrukcja kotwy powinna zapewniać tę dylatację, umożliwiając swobodną cyrkulację powietrza i skuteczne odprowadzanie wody.
Ważne jest, aby konstrukcja kotwy zapewniała dylatację niewielką przestrzeń między dnem podstawy a spodem drewnianego słupa, co umożliwia cyrkulację powietrza i odprowadzanie wody.
Zbyt słabe kołki montażowe: jak uniknąć katastrofy budowlanej?
Wybór zbyt słabych, zbyt krótkich lub nieodpowiednich kołków montażowych do betonu to jeden z najpoważniejszych błędów, który może prowadzić do osłabienia mocowania, a w skrajnych przypadkach nawet do katastrofy budowlanej. Pamiętaj, że to kołki przenoszą wszystkie obciążenia z konstrukcji na podłoże. Zawsze należy dobrać kołki o odpowiedniej długości i średnicy, zgodne z zaleceniami producenta kotwy i przeznaczone do rodzaju betonu, z którym masz do czynienia. Nie ulegaj pokusie oszczędzania na kołkach te kilka złotych różnicy w cenie może zaważyć na bezpieczeństwie i trwałości całej Twojej pracy. Jeśli masz wątpliwości, zawsze wybierz kołki o wyższej nośności lub skonsultuj się ze specjalistą. Jak już wspominałem, kotwy chemiczne oferują najwyższą pewność mocowania w trudnych warunkach.Gdzie kupić kotwę 12x12 i jak rozpoznać dobry produkt?
Przegląd ofert na polskim rynku: markety budowlane vs. sklepy internetowe
Kotwy przykręcane 12x12 są produktem powszechnie dostępnym na polskim rynku, co jest dobrą wiadomością dla każdego majsterkowicza. Możesz je znaleźć w wielu miejscach:- Markety budowlane: Takie jak Castorama, Leroy Merlin, OBI czy Bricomarché, oferują szeroki wybór kotew różnych producentów. Zaletą jest możliwość obejrzenia produktu na żywo i natychmiastowego zakupu.
- Składy budowlane: Często mają w ofercie solidniejsze, profesjonalne rozwiązania, a także mogą doradzić w kwestii wyboru.
- Sklepy internetowe: Istnieje mnóstwo specjalistycznych sklepów internetowych z okuciami budowlanymi, które oferują duży wybór, często w konkurencyjnych cenach i z dostawą do domu.
- Platformy handlowe: Allegro, OLX tu również znajdziesz wielu sprzedawców, zarówno producentów, jak i dystrybutorów.
Wśród producentów obecnych na rynku warto zwrócić uwagę na takie marki jak Domax czy Tribecco, które są znane z dobrej jakości swoich produktów.
Przeczytaj również: Kołek 8x40: Jakie wiertło? Wybierz idealne i mocuj bezpiecznie!
Jakość ma znaczenie: na co zwrócić uwagę przy zakupie, by kotwa służyła latami?
Wybór kotwy to inwestycja w trwałość Twojej konstrukcji, dlatego nie warto iść na kompromisy w kwestii jakości. Oto kluczowe aspekty, na które zawsze zwracam uwagę przy zakupie:
- Grubość blachy: To absolutnie najważniejszy parametr. Rekomenduję wybór kotew z blachy o grubości minimum 3 mm, a najlepiej 4 mm. Grubsza blacha to większa sztywność, odporność na odkształcenia i znacznie dłuższa żywotność. Kotwy z blachy 2 mm są zazwyczaj zbyt wiotkie do poważniejszych konstrukcji.
- Rodzaj ocynku: Zawsze stawiaj na ocynk ogniowy. Jest to standard, który zapewnia grubą i trwałą ochronę antykorozyjną. Unikaj kotew z samym ocynkiem galwanicznym, jeśli zależy Ci na długowieczności w warunkach zewnętrznych.
- Precyzja wykonania: Sprawdź, czy spawy są estetyczne i solidne, a otwory montażowe dokładnie wywiercone. Nieprecyzyjne wykonanie może świadczyć o niskiej jakości produktu.
- Certyfikaty: Jeśli produkt posiada odpowiednie certyfikaty (np. zgodności z normami budowlanymi), to dodatkowy atut świadczący o jego jakości.
Ceny kotew przykręcanych 12x12 wahają się od około 20 zł za sztukę (za prostsze modele z cieńszej blachy i ocynkiem galwanicznym) do 40-60 zł za sztukę (za solidne kotwy z grubej blachy 4 mm i ocynkiem ogniowym). Różnice w cenie wynikają głównie z grubości blachy i rodzaju zastosowanej ochrony antykorozyjnej. Moja rada: nie oszczędzaj na kotwach. Wybór droższego, ale solidniejszego produktu, to inwestycja, która zwróci się w postaci długowieczności i stabilności Twojej konstrukcji.
